冷轧机组电气传动系统
冷轧机组设备
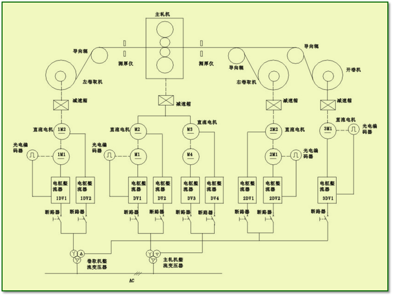
冷轧机组设备适用于冶金行业。一般用于轧制成品为1mm以下不同规格的薄带钢。对于可逆冷轧机组设备,它由主轧机、左右卷取机、压下及辅助设备等组成。主轧机两侧各有一台卷取机,压下为电动或液压压下,分别通过对压下螺丝杆的位置移动控制或通过对液压伺服阀对辊逢开口度控制,达到厚度控制的目的。轧制时,主轧机按设定厚度进行轧制,两台卷取机交替地分别工作在卷取和开卷状态,在整个轧制过程中始终保持一定的工艺张力,确保所轧制的钢卷质量。
冷轧机组电气传动自动化系统成套电控装置
冷轧机组电气传动的恒张力控制,由电气传动和自动化控制系统成套电控装置完成。该装置原则上是根据用户和工艺要求进行设计和配置相应的硬件、软件再组装成成套产品。通常是以交钥匙的方式提供给用户,它包括电气系统的原理设计、程序设计、柜体成套、现场调试等。该装置包含主轧线控制、压下控制、自动化基础工艺控制。主轧线控制由主轧机,左、右卷取机实现,压下控制由电动压下或液压压下实现,自动化控制由基础自动化和工艺控制自动化系统实现。
装置性能
- 驱动器主回路输入电压:220V±10%-690V ±10%
- 推荐最大直流电机电压:电枢电压=1.15×电源电压(CT驱动器略有改变)
- 主轧机稳速控制精度在±0.1%以内(光电编码器反馈)
- 卷绕控制的张力精度优于5%
- 成品厚度>0.3mm时:稳态厚度控制精度<±1.0%,动态厚度控制精度<±2.0%
- 成品厚度≤0.3mm时:稳态厚度控制精度<±1.5%,动态厚度控制精度<±2.0%
- 安装高度:海拔高度小于或等于1000m时,按100%负载选择驱动器;海拔高度大于1000m时,每升高100m,驱动器额定电流须降容使用,按100%负载时的驱动器减少1.0%的原则选型
- 环境温度:环境温度大于40度,温度每增高10度,驱动器的额定电流需减少1.5%,最高达到55度
- 允许的温度等级:空气相对湿度小于85%,不允许出现凝露
装置特点和功能
- 根据用户和工艺要求,可配置电控柜和操作台。如:仿威图柜体、玻璃柜体、GGD柜体等。柜体采用浅驼灰、静电喷塑
- 传动装置的驱动器可根据用户投资能力选择品牌,有进口的全数字直流驱动器和小拖大驱动器(调节回路选用进口驱动器主板、功率器件选用国产可控硅)。进口驱动器成本相对较高,但性能更稳定。进口的有ABB、西门子、Nidec CT等公司的全数字直流驱动器;小拖大驱动器为我公司自行研发的功率柜和ABB、CT、西门子驱动器拆板组成电枢整流器
- 具有光电编码器、测速发电机和电枢电压反馈等功能。有足够的过载能力,有较硬的机械特性等
- 通过自动优化功能的运行使传动系统在整个调速范围内达到较高的速度控制精度
- 完善的多级保护。如过流、过压、超速、欠磁、相序及丢相检测等
- PID快速平滑的起、制动功能
- 以微处理器为核心
系统控制策略
直流驱动器
- 直流驱动器是传动装置的核心设备,主要作用对直流电动机的速度进行控制。在选择驱动器时要注意两个方面,一是驱动器的品牌,它直接涉及到传动装置的价格和性能;二是驱动器容量的选择。驱动器品牌有进口原装的全数字直流驱动器装置和小拖大整流装置(电枢整流回路采用国产可控硅,调节回路采用进口驱动器进行拆板控制)。进口原装的全数字直流驱动器有ABB、西门子、Nidec CT等。
- 驱动器容量的确定:驱动器输出的额定电流和最大过载电流需大于直流电机的额定电流和允许过载电流,驱动器的输出直流电压需大于电动机的所需的电枢电压的原则进行选择驱动器。
- 不论是进口还是小拖大驱动器,它们都有相同的调节回路,即三相全控桥直接反并联,逻辑无环流,非独立弱磁控制模式。以微处理器为核心的四象限控制;电流自适应功能;多种反馈接口;具有较好的动态品质和加减速的线性度;菜单驱动的参数结构;通过用户自定义的菜单,可快速访问常用的参数;多级电子保护功能等。
整流变压器
- 整流变压器的种类有油浸式和干式变压器之分,视容量的大小和安装环境确定。一般大于200KVA可考虑油浸式整流变压器,反之则为干式变压器。油浸式整流变压器可以安装在户外,具有易于散热,价格较干式整流变压器便宜,但体积较大,安装时要考虑增设防火措施等;干式整流变压器安装在室内,体积较小,但价格较油浸式变压器贵,适用于容量较小的设备。
- 一般情况轧制线可采用两台整流变压器,主轧机使用一台;左右卷取机共用一台。
- 整流变压器,其绕组可制成不同的组别,以减少高次谐波,有利于提高功率因数。
主轧制线传动装置
- 主轧机、左右卷取机、开卷机的直流驱动器它们都有相同的控制原理。即:逻辑无环流控制方式。不同的是主回路、励磁回路的功率需按电机功率的大小配置相应的驱动器。
- 主回路由变压器、进线开关、接触器、直流驱动器以及相应的保护器件组成。
- 励磁回路由供电和励磁调节环节组成。
- 控制回路式传动系统与其他辅助设备连锁的控制环节。

卷取机张力控制
- 在生产过程中主轧机与左右卷取机之间需维持一定的恒张力进行轧制。根据控制特性,左右卷取机始终交替工作在“电动”和“发电”状态,装置也因此交替工作在“整流”和“逆变”状态。卷取机在轧制过程中经常在弱磁状态。为了充分合理地利用电机功率,一般选择最大力矩法作为卷绕控制模式。
- 最大力矩法的优点是:能充分合理地利用电机功率。无论卷径大小,基速以下电动机满磁工作,基速以上电动机弱磁工作。电动机力矩能得到最大的发挥。
- 具体表现在
1、电动机的弱磁倍数与卷径D无关。
2、基速以下电动机在满磁下运行,起、制动时的过渡过程加快,而且还可以输出最大力矩,增大过载能力。
3、电动机力矩可得到充分利用,在基速以下可输出最大力矩,在基速以上可输出最大有效功率。
4、电动机在起制动时,卷取机引起的无功冲击负荷较小。此时电动机处于满磁状态,减小了电流冲击和线路损耗,且运行电压高,功率因数好;高速时电动机在全压下运行,功率因数更高,故无功冲击负荷较小。
5、电流闭环同电机激磁闭环各自独立。
- 为了计算卷径D,线速度V取自于导向辊的光码盘的信号,n角速度(卷取机反馈信号)取自于卷取机的光码盘信号。卷径、张力力矩、动态力矩的计算由功能模块完成。

励磁回路
- 励磁模块有固定励磁和可控励磁两种工作方式,具体的工作模式由工艺要求而定。固定磁场工作状态时,励磁电流为额定值;可控励磁工作状态时,自动调节励磁电流大小能控制电机的速度,即基速以下为额定励磁且工作在恒转矩状态,基速以上弱磁升速且工作在恒功率状态。
控制回路
- 主要完成主轧制线传动装置各种设备正常运行时的逻辑控制、联锁以及保护措施控制等。主轧机、左右卷取机以及压下的起停控制;单动正反向点动;联动正反运行、逻辑控制、联锁控制以及故障保护控制等。
- 液压系统、润滑系统、油雾润滑系统、风冷冷却系统等辅助设备的起/停。
- 传动系统的各种故障保护功能如:断带保护,当张力消失时,控制系统全线自动停车。速度限幅、超速保护、紧急停车、缺相、失磁、欠电压、过电压、测速机反馈等故障监视及逻辑控制等。
电动压下
- 当压下装置为直流电机驱动时,需配置直流驱动器。当压下装置为交流电机驱动时,需配置交流驱动器。不论是直流驱动器或是变频器控制,它们都是通过交直流电机对压下丝杆的直线位移位置控制。
- 为了保证压下控制进度,压下到位时要求慢速压下控制、抬辊时要求快速提升,因此要求系统响应快、低速精度要求高、过载能力强等特性。
- 压下应具有单台/多台电机的同步运行控制功能。
基础自动化级
- 基础自动化级由PLC、功能模块、触摸屏及保护器件等组成。主要完成传动控制、张力控制、AGC、速度控制和各种远程I/O等。通过现场总线与各驱动器、远程I/O等通讯,进行交、直流电机和各种开关量的控制。实现主扎线和压下以及公用液压站等辅助设备进行控制。高性能闭环控制模块,完成AGC闭环控制。
液压压下(液压AGC)
- 液压压下系统由液压缸、液压站、AGC电控系统等组成。
- 控制原理:将轧制压力和位移传感器测出的信号进行运算并得到相应的差值,输入到伺服阀的放大器经放大器的作用,再通过私服系统的压力控制对液压缸位置进行控制,达到厚度自动控制的目的。
- AGC电控系统由PLC和功能控制模块以及工控机组成。
- 液压AGC系统的控制内容包含:液压缸位置控制(辊缝位置)、轧制压力控制、厚度预控、厚度监控、加减速补偿励、油膜厚度补偿等。
工艺自动化级
- 工艺自动化系统由工控机实现模型设定、模型自适应 、历史数据存储及打印等。具体包含:轧制道次计算、各道次出口厚度设定、轧制力预报、前后张力设定、辊缝值设定、弯辊力设定、轧制力、辊缝自适应、磨性子学习等。
- 工艺控制自动化及通过以太网与基础自动化系统进行数据交换。

低压供配电系统
- 包括受电柜、继电柜等。主要完成轧机辅助工艺设备的配电和辅助电源的操作和联锁控制等;直流电机强迫冷却风机水冷、压下系统、直流主传动操作系统等控制。
主操作台主要实现以下功能

- 机组速度给定
- 左右卷取机的张力给定
- 单/联动选择
- 轧制方向选择
- 主轧制线传动装置的主回路合、分闸控制及指示
- 故障报警及指示:快停、紧停控制按钮等
工控机监控显示器显示内容
- 机组线速度值、轧制方向、左右卷取机张力值、电枢电流、电压值、磁场电流值、实际角速度反馈值、带材入口测长度值、带材出口测长度值、入口卷径值、出口卷径值、操作侧轧制力值、传动侧轧制力值、电机温度值等。齿轮箱、稀油润滑站和轧辊轴承稀油润滑站动态数据:如温度、压差、压力、油位、电机状态。
- AGC控制模式选择:位置控制、压力控制、厚度预控、厚度监控、压力AGC等。
- 轧制状态显示:轧制压力、实际辊缝、轧制速度、出口带材厚度、带材长度、左右测厚仪曲线等状态。

开卷机对中系统
- 由伺服液压缸、伺服比例阀及放大器、光电传感器、液压站等组成。
- 为了使带钢开卷后准确地送入加工生产线,通常要安装对中或对边纠偏装置,对带钢位置的偏差进行纠正。
- 工作原理:采用连续的闭环控制,首先通过光电传感器测出带钢位置偏差,并将偏差值变成电信号后输入到电液伺服系统中,伺服比例阀再根据信号大小驱动液压缸,调节在预先设定好的位置上,使传动装置做相应的移动,这样带钢就可准确定位于轧制中心线上。
- 位移传感器:该直线位移传感器刚性地连接于油缸的杆端,并在空心活塞杆内走完全行程长度,传感器活动端连接于油缸活塞,当活塞延行程运动时,该传感器通过测量能确定准确位置。
- 光电传感器:红外光源发出高频光脉冲,通过半透镜射出一束平行光,由红外光敏接收管接收并经过信号放大器转变成电脉冲信号。当光路上有带材遮挡时,光信号的强弱便发生变化,这个变化经同步介调和放大后变成电压/电流信号输出。
位置控制
- 位置控制是AGC控制的基本内环,它与其他AGC模式一起使用。辊缝位置的检测有若干种选择,位移传感器可安装在轧机压上油缸上,在轧机的操作侧和传动侧油缸分别有两个传感器获取位置反馈信号,然后把这两个信号加以平均产生一个代表中央位置的信号,这个平均值和一个辊缝给定信号相比较,用两者的差值来驱动伺服阀,调整压上或压下油缸使差值趋于零。
压力控制
- 压力控制是轧机控制的第二个基本内环,它也需与其他控制模式一起使用。安装于压上或压下油缸上或管路上的压力传感器检测油缸内的压力,经转换得到轧机轧制力反馈信号,这个信号和一个压力给定信号相比较,用两者的差值来驱动伺服阀,调整压上或压下油缸使差值趋于零。系统零点压靠:轧机要进行正常轧制,首先要找机械零点。轧机预压靠过程就是完成机械零点定位。系统首先给定一预压靠力,进入压力控制环,系统达到设定压力时,此时的位置即零点位置。油缸位移传感器值即为系统电气零点。
压力AGC控制
- 压力AGC控制:这种控制被称为液压轧机的可变刚性。压力AGC控制可以有效地增加轧机刚性,使轧机的等效刚性远大于轧机的自然刚性。在轧制过程中,控制系统分别检测轧机的操作侧和传动侧的轧制压力,根据轧机的刚性曲线,计算出轧制力所引起的机架拉伸,相对于预计机架拉伸的任何变化被送入辊缝控制环进行动态补偿。如果上述变化被完全补偿,即100%补偿,则轧机将呈现一无限大刚性,轧辊辊缝将不受来料厚度和硬度的影响,可以产生恒定的出口厚度。但是,100%的轧机刚性补偿会使支承辊偏心完全反映在带材上,影响轧制精度。实际工作中,补偿的百分比需要调整已获得更佳的轧机性能。
厚度监控
- 测厚仪对出口进行厚度测量形成的厚度闭环控制,采用出口导向辊编码器测量出口带材。
- 移动速度进行定长厚度闭环控制算法。
厚度预控控制
- 常规的寄存器移位FIFO厚度预控,采用由轧制方向决定入口移动位置的中断控制方式。
- 控制输出的提前量考虑了压下系统的响应时间。
